NE555频率计算器
根据电路求输出值
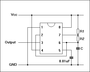
R1:
Ω
KΩ
MΩ
R2:
Ω
KΩ
MΩ
C:
uF
nF
pF
T
1
上升沿
秒
T
2
下降沿
秒
T 总周
秒
占空比
%
频率
Hz
计算公式:
T2 (off-time) = 0.693 * R2 * C1
T = 0.693*( (R1 + 2R2) * C1)
F = 1/ T
= 1.44 / ( (R1 + 2R2) * C1)
D = (T1 /(T1+T2))*100
根据输出条件求电阻阻值
频率
KHz
占空比
%
C
μF
R1
kΩ
R2
kΩ
周期T
s
TH
s
TL
s